


Microelectronic photos of a mix of powders Fe-T³-B C
4
|
X-ray diagram of a mix of micropowders Fe-T³-B C
4
|
![]() |
![]() |
à (8000õ)
before treatment (d ~ 80 μm)
cp
|
|
![]() |
|
b (10000õ)
after HVED treatment (high-disperse mix of particles
d ~ 0,7 μm, in which ~ 25 % of particles
cp
are < 0,3 μm with ~ 15 % of particles < 0,1 μm)
|
à - before treatment,
b - after HVED treatment
|
![]() |
Basic technical characteristics
of the experimental complex
for the spark plasma sintering "Gefest-10"
|
||
Parameter
|
Min.
value
|
Max.
value
|
Output average power, W
|
-
|
12 000
|
Average output current, A
|
100
|
1 100
|
Output current amplitude, A
|
100
|
1 200
|
Output current modulation factor, %
|
0
|
50
|
AC component frequency, Hz
|
0
|
10 000
|
Output voltage, V
|
-
|
10
|
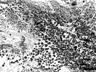
Microstructures of the consolidated material gained by spark plasma sintering
with use of the "Gefest-10" installation from powders after HVED treatment
|
||
![]() |
![]() |
|
à (5000õ)
|
b (5000õ)
|
|
carbide steel systems, the iron-carbon alloy - titan carbide (diboride), hardness of 68 HRC,
ultimate strength σ =1,350 MPa, porosity of 0.8 %
|
the iron-carbon alloy - titan carbide, hardness of 45 HRC, ultimate strength σ =650 MPa, porosity of 1,2 %
|
|
Basic technical characteristics
of the experimental complex
for the spark plasma sintering "Gefest-10"
|
||
Parameter
|
Min.
value
|
Max.
value
|
Temperature of sintering, °Ñ
|
-
|
1 600
|
Time of sintering, s
|
-
|
420
|
Pressure on the sintered blank, MPa
|
0,5
|
70
|
Pressure in the working chamber
(vacuum), Pa
|
10
|
5
10
|
Diameter of specimen, mm
|
5
|
20
|
Sintering press stroke, mm
|
0,5
|
10
|
